Vt Commodore Ignition Wiring Diagram, Complete Wiring Diagrams For Holden Commodore VT, VX, VY, VZ, VE, VF, 5.36 MB, 03:54, 32,796, John Amahle, 2018-08-01T19:37:41.000000Z, 19, Vt Commodore Ignition Wiring Diagram, to-ja-to-ty-to-my-to-nasz-swiat.blogspot.com, 1272 x 1800, jpeg, bcm pcm 12j swiat nasz, 20, vt-commodore-ignition-wiring-diagram, Anime Arts
Click an image to enlarge and interact with the diagram. You can also find interactive color wiring diagrams at the system or component level or by using the the vehicle information search box. Timing lights and wasted spark. Positive ground farmall h wiring diagram 6 volt from usguidebook. comeluxitalia. it.
Posting komentar untuk farmall wiring diagram popular posts. Wiring diagram international ih 444 diesel 2444 farmall tractor plug harvester version harness. Solid/twisted wire of 2 mm2, 12awg to 24awg. Please be sure to tighten them properly. Do not allow dust or foreign objects to fall inside the controller to prevent it from malfunctioning. Delta a series temperature controller d panel size (w × h) 4848: 1/16 din w48 × h48mm 4896: 1/8 din w48 × h96mm 7272. Cat 6 wiring diagram www. tankbig. com.
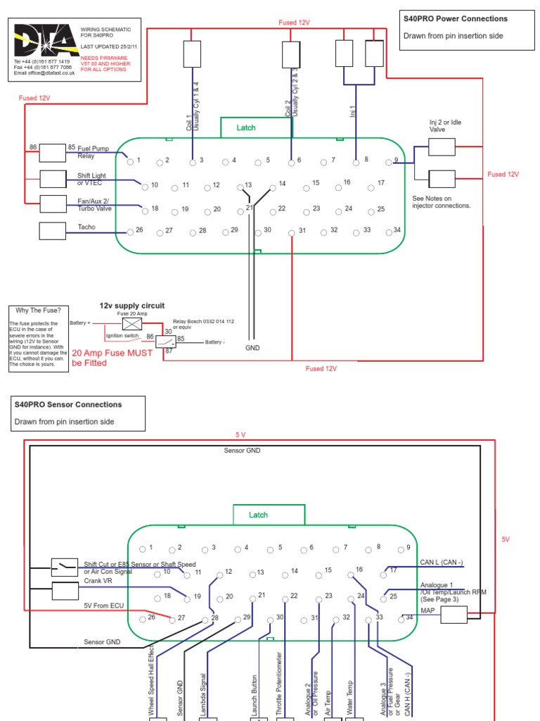
Dta S40 Wiring Diagram - PINYONCREEKSTITCHIN
DTA engine managment instalation on Escort RST engine.
Wiring Layout for Dta Ecu | Fuel Injection | Amplifier
Mk1 golf DTA ECU wiring | Page 2 | Club GTI

16 Fresh Dta S40 Wiring Diagram

Volvo Ecu Wiring Diagram

Trouble wiring PIDS
QCV Download Data Link Connector Wiring Diagram in PDF ~ 261 KF8 Download

Data Link Connector Wiring Diagram - Cadician's Blog

1995 System Wiring Diagrams Chevrolet Tahoe Computer Data Lines/Data Link Connector Circuit
